Kjøleskap med innvendig betjening / lys virker ikke / kjøler ikke lenger / kjøler for mye / blir varmt
Problem
- Innvendig lys er ikke tent.
- Flere lysdioder, lamper på temperaturdisplayet er på eller blinker
- Skapet kjøler ikke
- Kombiskap kjøler for mye
- Blir for varmt inne i kjøleskapet
Gjelder for
- Kjøleskap med innvendig betjening / kontroll
- Kombiskap med innvendig betjening / kontroll
Løsning
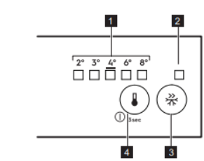
- Servicemode for den elektroniske betjeningen har sannsynligvis blitt aktivert ved et uhell
. - Du kan sette skapet tilbake til normal driftsmodus ved å trykke på de to knappene 3 + 4 samtidig i fem sekunder.
- Etter fem sekundene begynner innvendig belysningen automatisk å lyse igjen og kun én LED lyser på temperaturskalaen, kjøleskapet vil automatisk etter en stund å kjøle igjen.
- Dersom ovenstående ikke løser problemet, anbefaler vi at du bestiller et besøk fra en av våre spesialutdannede serviceteknikere.
Du kan enkelt bestille et servicebesøk online hele døgnet, og velge ønsket dato for besøket selv.
Var denne artikkelen nyttig?
Relaterte artikler
- Installasjon av Integrert kjøleskap - ventilasjon
- Avriming av kjøl/frys
- Det er mye is i det innebygde kjøleskapet mitt
- Hvilke temperaturer tilsvarer termostatinnstillingene?
- Kombiskapet viser en alarm, rødt varselslys, blinkende trekant eller piper
- Temperaturen i kjøleskapet er for høy
- Det er mye is i kjøleskapet mitt
- Kjøleskapet lekker vann
- Det er vanskelig å åpne døren på kjøleskapet mitt
- Temperaturen på mitt kjøleskap er for lav